您好,欢迎访问Comfyness科技有限公司官网网站!

我们的宗旨是赋能全人类对智能舒适的追求,推动人类对舒适家居的智能


化进步与可持续的共同发展。

全国免费热线:

151-6003-2751

Xiamen Firefly Star Intelligent Technology Co., Ltd.
您当前的位置:
产品中心
产品中心
中央空调4G-Zigbee-WIFI-485有线温控器
    发布时间: 2025-04-07 09:28    

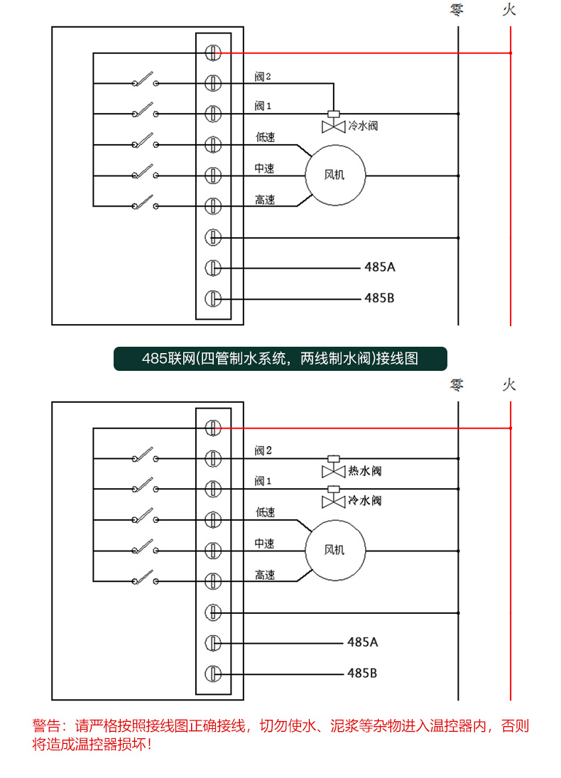
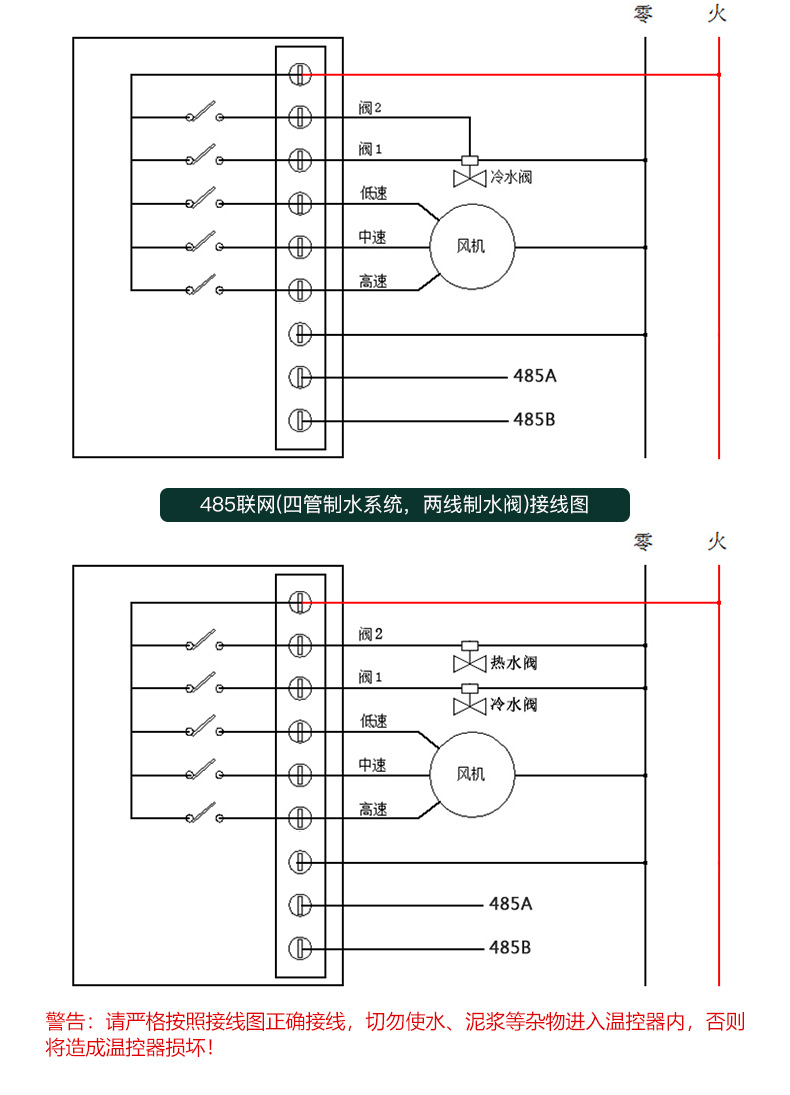
商品名称:485联网中央空调温控器
商品接线:二/四管制二线/三线阀
商品尺寸:86*86*66mm
通讯方式:485通讯/Modbus RTU协议
工作电源:AC220V
控制信号:三速高中低阀开阀关
功能介绍:集中控制、电费计量、分户计费、远程控制、定时控制、远程锁定
功能定制:红外遥控、人体感应、湿度显示、房卡联动、门窗联动、外置抬头、API调用、定制协议、主机联动

中央空调4G-Zigbee-WIFI-485有线温控器


Product center

联系我们
   

咨询热线:

181-5088-2501